Danh mục: Ổ lăn - Ổ trượt - Đỡ trục
| TBK12-57 | Vít me 16 - Động cơ size 57 |
|---|---|
| TBK12-60 | Vít me 16 - Động cơ size 60 |
| TBK15-57 | Vít me 20 - Động cơ size 57 |
| TBK15-80 | Vít me 20 - Động cơ size 80 |
| TBK15-86 | Vít me 20 - Động cơ size 86 |
SKU: ME-BE-17831
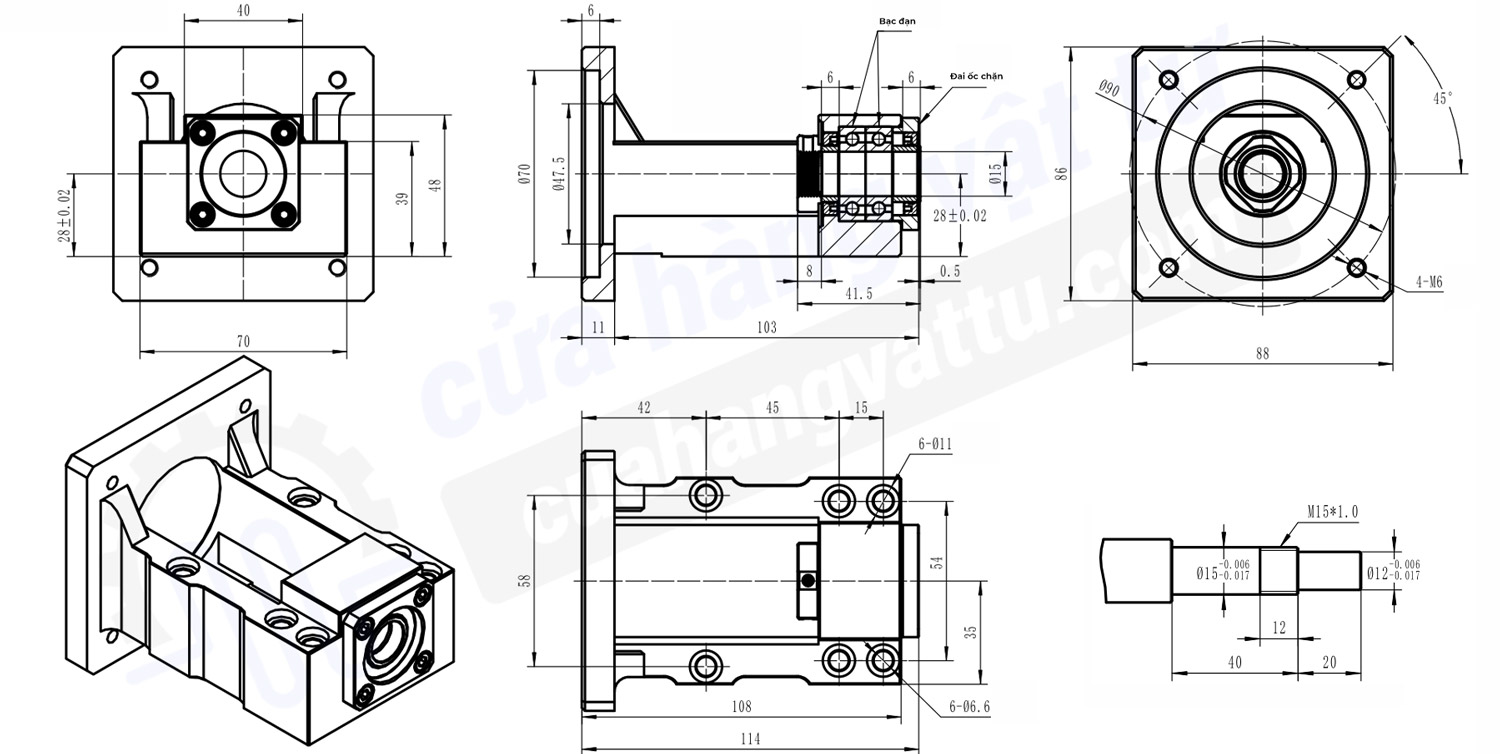
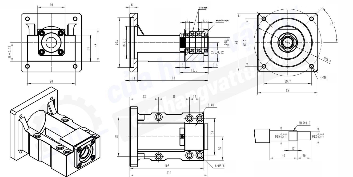
| Mã sản phẩm | TBK |
|---|---|
| Loại sản phẩm | Gối đỡ trục vít me bi (tích hợp gá động cơ) |
| Vít me bi phù hợp | 1605, 1610, 2005, 2010 |
| Kích thước vít me | Cần tiện đúng với kích thước theo bản vẽ để lắp vừa gối đỡ trục TBK |
| Động cơ phù hợp | Step motor mặt bích 57, 60, 86 | Servo motor mặt bích 60, 80 |
| Vật liệu chế tạo | Gang HT250 |
| Gia công | Đúc nguyên khối, gia công chính xác các bề mặt (vị trí cần lắp ráp) |
| Cấp chính xác | C5 |
Gối đỡ trục vít me TBK được đúc dạng khối liền mạch với mặt bích lắp động cơ, tích hợp gối đỡ BK và mặt gá động cơ. Sản phẩm phù hợp với nhiều loại vì me bi và động cơ bước 57, 68 hay các loại động cơ servo 60, 80. Việc được chế tạo nguyên khối đảm bảo đồ chắc chắn, hơn nữa đảm bảo được độ đồng trục và người thiết kế sẽ giảm bớt thời gian thiết kế từng bộ phận như trước đây.

Sản phẩm bao gồm 2 phần chính: Ổ đỡ trục vít me BK và gá động cơ. Cấu tạo liền khối cho phép giảm khả năng bị gẫy trục động cơ trong quá trình hoạt động. Hơn nữa, gối đỡ trục này cũng giúp người thợ lắp ráp máy móc bỏ qua giai đoạn canh chỉnh để đảm bảo đồng trục

Đây là sản phẩm được chế tạo nhằm loại bỏ những nhược điểm của cách thiết kế truyền thống, khi mà phải sử dụng gối đỡ trục BK và gá động cơ riêng biệt.





Địa chỉ email của bạn sẽ không được công khai. Các trường bắt buộc được đánh dấu *
Địa chỉ email của bạn sẽ không được công bố. Các trường bắt buộc được đánh dấu *
Vui lòng đăng nhập để viết đánh giá!
Có vẻ như chưa có đánh giá nào.